В первом приближении принимаю арматуру В500 диаметром 5 мм.
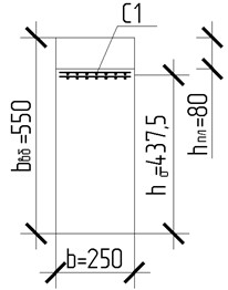
Расчетное сечение приведено на рис. 15.
 
 
Рис. 15. «Расчетное сечение»
 ,
, 
где  ,
 ,  .
. 
Определяем требуемую площадь арматуры:
 
 
По сортаменту подбираем диаметр и количество стержней:
n=32 стержня арматуры В500 диаметром d=5 мм, для которых  .
. 
Находим шаг стержней:  , принимаем шаг стержней 140 мм. Рабочие стержни раскладываем вдоль второстепенной балки.
, принимаем шаг стержней 140 мм. Рабочие стержни раскладываем вдоль второстепенной балки. 
Поперечные стержни подбираем конструктивно: стержни арматуры В500 диаметром d=3 мм с шагом 300 мм.
Окончательно принимаем сетку С-1:  .
. 
Обслуживание резервуаров
	 Руководство нефтебазой должно разработать и утвердить инструкцию по техническому надзору за резервуарами, устанавливающую основные технические требования по наблюдению за эксплуат ...
	
Расчет технико-экономических показателей по вариантам
	 Все расчеты произвожу в уровне цен 2001 года. Для каждого варианта осуществляю расчеты приведенных затрат. П = Сс + Ен × К, руб. (2.4); где Сс – сметная себестоимость, опред ...